首 页
·
·
首 页
学校概况
招生解答
教学管理
学生感言
后勤服务
就业安置
就业明星
技术园地
网上报名
专业设置
技能培训
新闻搜索
软件搜索
动画搜索
热门标签:
当前位置:
湖南阳光电子技术学校
→
文章资讯
→
技术园地
→
维修元件资料
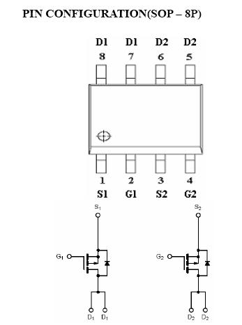
集成电路介绍:4953芯片脚位定义
减小字体
增大字体
作者:佚名 来源:本站整理 发布时间:2010-07-18 01:01:43
APM4953K
CEM4953A
GSS4953BDY
SI4953ADY
SPP4953A
LED上所用之4953管脚定义都是相同之,只是生产厂商不一样。
Tags:
作者:佚名
[
] [
返回上一页
] [
打 印
]
中查找“集成电路介绍:4953芯片脚位定义”更多相关内容
中查找“集成电路介绍:4953芯片脚位定义”更多相关内容
·上一篇文章:
集成电路介绍:译码器74HC138中文资料
·下一篇文章:
集成电路介绍:SM16126C
栏目导航
显示器维修
液晶电视维修
手机维修技术
彩电维修技术
制冷维修技术
综合维修技术
维修元件资料
电子基础知识
电脑维修技术
电工焊工技术
本类热门阅览
1
彩电中周内附电容容量表-1
2
自己动手制作改制手机充电器,
3
【转】同洲数字卫星接收机升级
4
海信系列彩电童锁解除密码大全
5
海信TC2507F解锁
6
各种电视机解童锁解锁**能码
7
手机解锁
8
长虹G2136(K)解锁方法
9
创维解童锁 的解除方法
10
海尔电视童锁解锁法
11
彩电童锁解锁**能码
12
电视机解锁方法
相关文章
1
彩电中周数据查询3
2
【转】同洲数字卫星接收机升级
3
长虹21A21电视童锁解除方法
4
海尔电视童锁解锁法
5
彩电中周内附电容容量表-2
6
电脑常见的软件故障
7
手机解锁
8
家电维修自费维修注意什么?
9
彩电中周内附电容容量表-4
10
屡烧行管原因分析与检修屡烧行
11
电视机解锁方法
12
彩电中周内附电容容量表-1
关于本站
|
网站帮助
|
广告合作
| |
友情连接
|
网站地图
校址:
湖南省_长沙市_雨花区_车站南路红花坡路口。
报名电话:
13807313137
电工培训学校
电动车维修学校
摩托车维修学校
摩托车维修培训
手机维修培训
家电维修培训
电脑维修培训
电动工具维修培训
液晶电视维修培训
安防监控培训
空调维修培训
网络营销培训
网站设计培训
淘宝网店培训
电器维修培训
家电维修学校
电工培训
焊工培训
电工学校
电工培训学校
电动车维修学校
摩托车维修学校
摩托车维修培训
手机维修培训
家电维修培训
电脑维修培训
电动工具维修培训
液晶电视维修培训
安防监控培训
空调维修培训
网络营销培训
网站设计培训
淘宝网店培训
电器维修培训
家电维修学校
电工培训
焊工培训
电工学校
电工培训学校
电动车维修学校
摩托车维修学校
摩托车维修培训
手机维修培训
家电维修培训
电脑维修培训
电动工具维修培训
液晶电视维修培训
安防监控培训
空调维修培训
网络营销培训
网站设计培训
淘宝网店培训
电器维修培训
家电维修学校
电工培训
焊工培训
电工学校
电工培训学校
电动车维修学校
摩托车维修学校
摩托车维修培训
手机维修培训
家电维修培训
电脑维修培训
电动工具维修培训
液晶电视维修培训
安防监控培训
空调维修培训
网络营销培训
网站设计培训
淘宝网店培训
电器维修培训
家电维修学校
电工培训
焊工培训
电工学校
中山市,固原市,银川市,玉树,海东,陇南市,酒泉市,张掖市,天水市,金昌市,兰州市,榆林市,延安市,渭南市,铜川市,阿里,山南,拉萨市,怒江,文山州,楚雄州,普洱市,昭通市,玉溪市,昆明市,毕节,铜仁,遵义市,贵阳市,甘孜州,资阳市,达州市,宜宾市,南充市,遂宁市,绵阳市,泸州市,自贡市,三亚市,崇左市,河池市,玉林市,钦州市,梧州市,柳州市,梅州市,肇庆市,湛江市,佛山市,珠海市,韶关市,湘西州,怀化市,郴州市,张家界市,邵阳市,株洲市,仙桃市,随州市,荆州市,荆门市,襄樊市,黄石市,驻马店市,信阳市,南阳市,漯河市,中卫市,石嘴山市,海西,海南藏州,黄南州,海北,甘南,庆阳市,平凉市,武威市,白银市,嘉峪关市,安康市,汉中市,咸阳市,宝鸡市,林芝,日喀则,昌都,迪庆,德宏,大理,西双版纳,红河州,临沧市,丽江市,保山市,曲靖市,黔东州,黔西州,安顺市,六盘水市,凉山州,阿坝州,雅安市,广安市,眉山市,内江市,广元市,德阳市,攀枝花市,成都市,海口市,来宾市,百色市,贵港市,北海市,桂林市,南宁市,云浮市,揭阳市,潮州市,清远市,阳江市,汕尾市,惠州市,茂名市,江门市,汕头市,深圳市,广州市,娄底市,永州市,益阳市,岳阳市,湘潭市,长沙市,恩施州,黄冈市,孝感市,鄂州市,十堰市,武汉市,周口市,商丘市,三门峡市,许昌市,焦作市,安阳市,鹤壁市,平顶山市,开封市,郑州市,聊城市,滨州市,德州市,莱芜市,日照市,泰安市,烟台市,潍坊市,东营市,淄博市,上饶市,济南市,抚州市,宜春市,赣州市,新余市,九江市,景德镇市,宁德市,南平市,泉州市,莆田市,厦门市,宣城市,亳州市,六安市,宿州市,黄山市,滁州市,安庆市,淮北市,马鞍山市,蚌埠市,芜湖市,合肥市,丽水市,舟山市,衢州市,金华市,湖州市,嘉兴市,宁波市,宿迁市,镇江市,盐城市,连云港市,苏州市,徐州市,南京市,绥化市,牡丹江市,佳木斯市,大庆市,鹤岗市,哈尔滨市,白城市,白山市,辽源市,吉林市,葫芦岛市,铁岭市,盘锦市,阜新市,锦州市,本溪市,鞍山市,沈阳市,锡林郭勒盟,通辽市,乌海市,吕梁市,忻州市,晋中市,晋城市,阳泉市,太原市,廊坊市,承德市,保定市,邯郸市,唐山市,宁夏,甘肃省,西藏,贵州省,重庆市,广西,湖南省,河南省,江西省,安徽省,江苏省,黑龙江省,辽宁省,山西省,天津市,四平市,内蒙古,吴忠市,果洛,西宁市,定西市,商洛市,西安市,那曲,黔南州,巴中市,乐山市,贺州市,防城港市,东莞市,河源市,常德市,衡阳市,咸宁市,宜昌市,濮阳市,新乡市,洛阳市,菏泽市,临沂市,威海市,济宁市,枣庄市,青岛市,吉安市,鹰潭市,萍乡市,南昌市,龙岩市,漳州市,三明市,福州市,池州市,巢湖市,阜阳市,铜陵市,淮南市,台州市,绍兴市,温州市,杭州市,泰州市,扬州市,淮安市,南通市,常州市,无锡市,大兴安岭,黑河市,七台河市,伊春市,双鸭山市,鸡西市,齐齐哈尔市,延边,松原市,通化市,长春市,朝阳市,辽阳市,营口市,丹东市,抚顺市,大连市,阿拉善盟,兴安盟,乌兰察布市,巴彦淖尔市,呼伦贝尔市,鄂尔多斯市,赤峰市,头市,呼和浩特市,临汾市,运城市,朔州市,长治市,大同市,衡水市,沧州市,张家口市,邢台市,秦皇岛市,石家庄市,青海省,陕西省,云南省,四川省,海南省,广东省,湖北省,山东省,福建省,浙江省,上海市,吉林省,河北省,北京市