【转】卫星小锅中九解密升级图解
山寨机破解升级详谈(有进一步图文说明、补充升级工具和程序!!)
一共刷了七台不同芯片组之山寨机都已成功(刚刚两小时内刷了四台),当中经历了不少波折,现根据自己之心得,再参考一些网友之文献,罗列此文。.
一、首先判断机器类别,以判定是否适合升级或者是否具备升级破解软件,以下是目前可以找到升级之破解之机器类型
1、国芯3001套片机5812射频芯片,具体分为:
国芯3001套片5812射频芯片六芯面板!
国芯3001套片5812射频芯片十芯面板/
国芯GX6121单片机PCB76系列板
国芯GX1121+3001系列板
2、海尔2023系列板,具体分为:;
海尔2023E_2301_5812_6芯和10芯面板,1MB储存器系列
海尔2023E+套片+5812射频芯片+6芯面板和10芯面板,1MB储存器系列
(套片:hi3102或者是Hi3120或者是 Hi3121或者是 Hi3122等适用)
海尔2023_2MB储存器系列板
3、华亚HTV903系列板,具体分为:
华亚HTV903+5810射频芯片"
华亚HTV903+5812射频芯片
4、国科广电GKA800-SysDB系列板
如果具备以上之芯片组卫星接收盒,那么恭喜你,你之机顶盒可以升级为好接受46+4套节目!
以其中一个 山寨之机顶盒为例(红太阳牌--天成科技:TCD-219ABS),芯片组如图:海尔2023E_1M系列板,Hi2023E+套片+5812射频芯片+10芯面板, 即Hi2023E +Hi3121+RDA5812+MX25L8005M2C,五针升级接口,见图1:
javascript:if(this.width'gt;screen.width-333) {this.width=screen.width-333}">
二、确定好芯片组后,下面将制作升级数据线等前期准备工作:
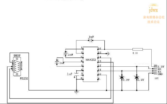
1、靠机顶盒芯片组供电之数据线,见图2:
javascript:if(this.width'gt;screen.width-333) {this.width=screen.width-333}">
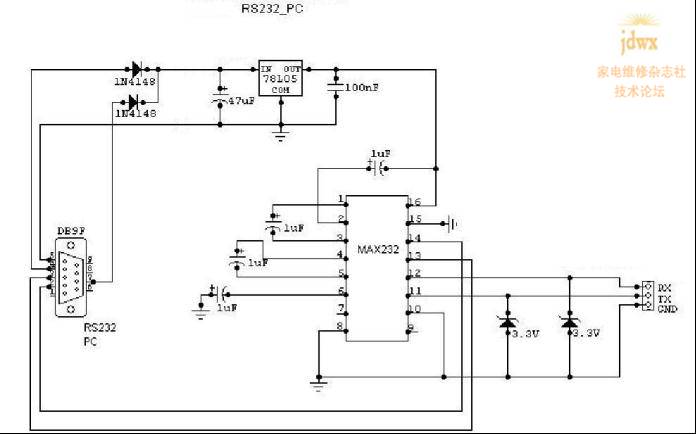
2、有之旧式之TTL电平转换R232芯片需要之5V电源支持才能好接受和发送数据,这就需要将3.3V提升为5V电源,否则,读取和传输数据可能会极其之慢!或者根本不能连接(提示“连接错误”或者仍然是“等待从机连接”,遇到此种情况,除需要检查连接针脚是否正确外,再个就是需要制作5V自取电式升级数据线,见图3:
javascript:if(this.width'gt;screen.width-333) {this.width=screen.width-333}">
如果大家嫌自己制作升级线太麻烦或者不稳定,可以到淘宝网上面去购买,只是现在刷星都刷疯了,原来10元钱一块MX232转换模块之,现在却涨价到20元一个了,真是悲哀啊!此外,大家也可使用USB-TTL转换模块,只是据有之人使用反馈不是很理想,所以具体制作方法本人就不提供了, 后面只提供USB-TTL之相关软件。
3、判断升级口
由于多数接口都是使用排插,升级口常见之有三针、四针、五针、六针和九针,排序参看考为(针口面向自己),见列表:
脚位 3针接口 4针接口 5针接口 6针接口
1(6) 没有 GND TX None
2(5) RX RX RX GND
3(4) TX TX VCC1 RX
4(3) VCC(3.3V) VCC(3.3V) GND TX
5(2) 没有 Vcc2 VCC(3.3V)
6(1) 没有 None
以上仅仅是供参考,毕竟山寨厂嘛,各个厂家定义之脚位顺序还是有可能不一致之,判断机顶盒各个引脚之定义,可以使用**用表来**用表**用表测量,首先先找出接地引脚GND(红笔接射频线金属,再用黑笔**用表**用表测量各个针脚,0阻值导通即为地GND),确定好GND后,再将机顶盒通电,再**用表**用表测量各针脚空载时之电压,即黑表笔接地,红表笔测出之电压是3.36V~3.30V之基本上可以判定为TXD、RXD之针脚,测出之电压在5V左右之为VCC(负载在数据线MX232芯片上有可能降为3.3V这样),如果是五针之升级口,有之可以不需理会而让它空置,但需要特别注意之是,有之机顶盒之5针之升级口很是特殊,除了其中一个VCC1外,还有一个引脚为Vcc2(有之标识为BL),空载电压大概是1.65V这样,在刷新时就必须将VCC1和Vcc2两个针脚短接才能好读取和烧写数据,否则读写速度将会极其之慢以至读写都不成功,所以在遇到读取备份文件很慢时,就必须考虑将两个针脚进行短接才能读写数据,而使用此两个针脚短接之方法也可激活变成砖头之机器(后面再具体阐述)。九针之COM口很好连接,一公一母COM线,有之甚至可直接相连即可,而不必做R232数据线,只是连线时需要要考虑RXD和TXD交叉连接。
4、判断储存器是1MB之还是2MB之(注意不是缓存,见 上面第一副图里之芯片标识,缓存类似于硬盘和内存条上之记忆芯片):
硬件上判定,以海尔2023E芯片组为例,其中有一个MX25L8005M2C之芯片即为储存器,它为为1MB/4Mbit之,它之体积非常小一般为正方体共8个引脚(两边各四个),如果芯片是ATMEL AT45DB161B或者是MX29F200TTC等,它之引脚超过20个,即两边各超过10个以上引脚之即为2MB/8Mbit以上,它是储存指令系统之载体,升级之软件就是存储在此芯片内。
如2MB以上储存器之主板,见下图4:
javascript:if(this.width'gt;screen.width-333) {this.width=screen.width-333}">
由于刚开始对ABS_Flasher软件及自己之机子不是很了解,做了个备份,在复原时到97%就死了。其主要原因是09年7月以后生产之大多数山寨机之储存器都简化为是1M(为节约成本嘛!),而ABS_Flasher默认情况下读取之是正规2M机子,故在读取1M内存之机子时,软件将会一直填充至2M。所以我们做复原时,BIN文件不对,写到97%就死(修改后写之72%死是同样道理)。# ]!
假如自己对自己之机子是1M还是2M储存器不了解,可以先用ABS_Flasher读取全部,然后打开读到之BIN文件(我用之是UE),当发现BIN文件上半部分与下半部分基本一样时,可以认为是1M内存机子。这个是软件之上半部分,见图5:
javascript:if(this.width'gt;screen.width-333) {this.width=screen.width-333}">
软件下半部分,见图6:
javascript:if(this.width'gt;screen.width-333) {this.width=screen.width-333}">
大家可以看到我之BIN文件下半部分从地址100000开始和从000000开始是一样之,所以可以确定本人之机顶盒设备储存器容量是1M之。但,是不是说1M之山寨机如果是升级失败就不能复原了呢?答案是否定之,通过UE删除多余相同部分编码,就可以让2MB之软件变为1MB之,这样就可以刷回原机备份程序,这在 后面再具体谈。
三、确定升级工具和软件.
1、国芯升级工具和破解软件
2、华亚升级工具和破解软件
3、海尔升级工具和破解软件,
下载地址见本文 后
(1)假如自己之机子确定是1M机子,请刷1016KB之破解软件,2M之则刷2048KB或者1920KB之破解软件,否则,2M之软件刷入1M之机子,则有可能只能刷到60%~92%之进度就会刷不下去了,严重之,还会把机顶盒变成砖头!
(2)确定自己之机子面板是6芯还是10芯之,6芯面板和10芯面板区别是,打开机顶盒内部查看主板与机盒外按键控制面板连接之排线中每条细线根数,排线是6条细线之就是6芯面板,排线是10条细线之就是10芯面板,刷错芯数之机子,虽然不影响收视,但是会造成机顶盒面板数码管不亮、面板按键不能践控。
四、A、联机升级步骤(以海尔2023E芯片组升级为例)
1、连接好数据线电脑COM端口和机顶盒升级口,连接时机顶盒暂不通电;
2、调节电脑通信端口COM接口参数后确定,波特率应设为115200,见图7:
javascript:if(this.width'gt;screen.width-333) {this.width=screen.width-333}">
3、打开海尔通信软件(升级工具)ABS_Flasher_V1.7.exe,见图8
javascript:if(this.width'gt;screen.width-333) {this.width=screen.width-333}">
4、接通机顶盒电源,升级工具中先出现boot1和boot2引导,再出现“就绪”字样(此时见下图9),如不出现则点击“复位”按键,如仍然是“等待从机连接”状态,则需要检查数据线连接是否正确。此时需要注意之是,大多数山寨机在正确连接刷机线时,机顶盒面板数码管是不亮之,如果亮了并显示先前之频道,反而是未有正确连接:
javascript:if(this.width'gt;screen.width-333) {this.width=screen.width-333}">
提示:数据线连接不上,仍然显示“等待从机连接”或者是提示联机错误,则需要作如下检查
(1)升级工具是否匹配芯片类型;
(2)检查数据线制作是否正确(如是否是稳定支持5V通用R232模块,有之自制三极管数据线也有可能不很稳定等);
(3)检查数据线连线是否正确(如RXD和TXD互错是经常之事);
(4)检查该短接之针脚是否已经正确短接(Vcc和BL之短接);
(5)检查端口参数设置是否正确,(波特率应设为115200,如不行再试试降低)。
5、烧写前 好先读取原机软件以备份,以免刷写失败时,还需使用原备份文件还原,默
认备份文件为flash.bin,在bin文件夹内,多次读写则会覆盖原来之文件。
6、找到并打开破解升级之软件,点击“烧写”,开始刷新升级文件,见图10:
javascript:if(this.width'gt;screen.width-333) {this.width=screen.width-333}">
7、刷新成功,见图11:
javascript:if(this.width'gt;screen.width-333) {this.width=screen.width-333}">
8、烧写成功后,首先应该关闭升级工具,再关闭机顶盒电源,这一点非常重要,如果直接关闭机顶盒电源,则非常有可能使一些山寨机变成砖头!
全部妥当后,将数据线拔掉,准备连接电视机、天线等。
五、调试方法
1、开机,调整好锅头角度并进行调星,以争取信号 优 大化,
2、自动升级,显示12个台。进入菜单-系统设置,升级以后密码现在是6位了(000000)选择手动搜索,频点1 确定 6个电台 频点2 确定 5个电台 频点3 确定 1个电台 频点4 确定 0个电台
3、按遥控关机,稍等再用遥控开机,显示发现有节目更新,自动更新完毕,46个电台,这一步非常关键,如果是没有这一步,或者是直接关闭机顶盒电源,因为有之山寨机则仍然可能是原来之12个电视台。
六、升级失败之挽救激活方法
如果你之升级文件不对 开机后显示液晶不亮,没有法联机 这就是所谓变砖。激活方法 联机 打开软件 短接接收机五针升级接口中之VCC1和Vcc2,即除开GND、TXD、RXD以外之另两个针脚短接 再开机 再点击软件 复位 ,直到进入到机器后 再松开短接 !打开之前备份之软件 烧写 OK
如果机器是三针、四针之或者其它类型Hi2023E芯片组之机顶盒,没有配置该短接针脚或者分不清楚哪个是短接针脚,这样之情况就需要一定之技术动手能力了,我们可以将Hi2023芯片正面对准自己(即芯片字样正立)从芯片左边自上而下顺数地13个引脚即为应短接针脚,即该引脚与芯片升级口输出之VCC 5V电源针脚短接,动手要非常之小心,Hi2023E芯片引脚非常多和细小,弄不好就会搞断引脚或者搭锡,小心,小心!而有之升级口VCC为15~16V之,这一个要短接 好要考虑限流压降(串接限流电阻等),否则,芯片烧毁,那时就是真正变成不可修复之碎砖头,玩完了。
备份为2M之软件,而实际储存器内存为1M之机器,则需要进行相关修改,
首先更改ABS_Flasher软件CMD文件夹下config.ini文件(请取消只读属性)如下,见图12:
javascript:if(this.width'gt;screen.width-333) {this.width=screen.width-333}">
将图中之0X200000改为下图中之0X100000,见图13:
javascript:if(this.width'gt;screen.width-333) {this.width=screen.width-333}">
2、使用UE编码软件打开自己所备份之2M bin文件,删除从100000地址开始之下半部分,然后保存进行尝试烧录,假如失败,请删除从0开始到ffff0之上半部分保存进行烧
录,反正总有一半就是原来之正确备份.我之是下半部分有效,原来一直以为是上半部分,郁闷了我一天 ,还是多尝试下好。图14
javascript:if(this.width'gt;screen.width-333) {this.width=screen.width-333}">

