独立时钟发生器电路
时间:2010-06-11 01:44:56 整理:佚名 []
有些时候需要单独的时钟电路来给多路芯片提供统一的时钟信号,这里提供一些常见的电路,可供大家参考。
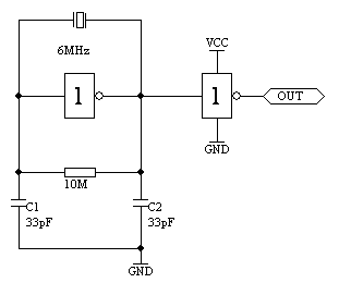
图一
10M是直流反馈电阻,使非门 初处于放大状态,类似三极管中的上偏电阻,电容用作移相,如果频率很高也许不用电容也能振荡。

图二

![]() |
关键词:独立时钟发生器电路 相关文章
相关推荐文章
热门文章
- [108] 问:当前中职生的就业形势怎样?
- [74] 问:2010年学校有何优惠政策?
- [64] 国家助学金顺利发放 助阳光学子成功...
- [56]入学须知
- [56]来校路线图
- [45]阳光学校特色(必读)
- [44]问:报名录取办法是怎样的?
- [25]学生生活介绍
- [11]世界冠军乐茂盛莅临我校
新文章



