三端稳压器的扩展使用
扩流电路
我们知道,78**(79**)系列和LM317/337系列 大输出电流为1.5A,如果所用电子装置需要稳压电源提供更大的电流,就需要采用扩流措施了。下面介绍两种常用的扩流方法。
- 外加功率管扩流。
电路如图1所示(在后面的电路图中,为简单起见,均将电源变压器、整流二极管和输入滤波电容省略不画)。R1是过流保护取样电阻,当输出电流增大超过一定值时,R1上压降增大,使BG1的Ube值减小,促使BG1向截止方向转化。因为集成稳压器本身有过热保护电路,如果我们将BG1和集成稳压器安装在同一个散热器板上,则BG1也同样受到过热保护。图1电路可输出小于7A的电流。

- 多块稳压器并联扩流。
电路如图2所示。这是一种线路简单、无需调整,有较高实用性的电路,其 大输出电流为N*1.5A(N为并联的稳压器的块数)。实际应用中,稳压器 好使用同一厂家、同一型号产品,以保证其参数一致性。另外, 好在输出电流上留有10-20%的余量,以避免个别稳压器失效造成稳压器连锁烧毁。
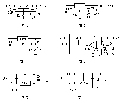
扩压电路
这里常用的方法有三种,分别是:
- 固定抬高输出电压。
电路如图1所示。如果需要输出电压Uo高于手头现有的稳压块的输出电压时,可使用一只稳压二极管DW将稳压块的公共端电位抬高到稳压管的击穿电压Vz,此时,实际输出电压Uo等于稳压块原输出电压与Vz之和。将普通二极管正向运用来替代DW,同样可起到抬高输出电压的作用。例如,想为自己的录音机装一个6V、500mA的稳压电源,而手头只有一只7805稳压器,则可按图2电路安装。D1选用2CP(IN4001)类硅二极管,其上压降约为0.8V,这样输出就约为5.8V,足以满足录音机的需要了。若将D1换成发光二极管LED,不但能提高输出电压,而且LED发光还起到电源指示作用。

- 输出电压可调电路。
利用78**系列固定输出稳压电路,也可以组成电压可调电路,如图3所示。输出电压Uo=Uxx(1 R2/R1),其中Uxx为稳压块标称输出电压。显然,若将R1、R2数值固定,该电路就可用于固定抬高输出电压。如果将R1或R2换成光敏电阻,便可构成光控输出电压关断电路。图4用运放作为电压跟随器,克服了稳压块静态电流Io的影响,输出电压Uo=Uxx(1 R2/R1),其中R1为电位器中心抽头与A点之间的电阻值,R2为电位器中心抽头与B点之间的电阻值。电路中运放亦可用741运放,输出电压从7-30V连续可调。
- 电压极性变换电路。
如果需要正电压输出而手头只有79**系列稳压块或需要负电压输出而手头只有78**系列稳压块,这种情况下,可以采用图5、6电路进行极性转换,注意输入电压不是对地而是悬空输入的。
慢启动电源
慢启动稳压电源在一些灯丝供电电路、电子琴电源中被广泛采用。此种电路的功能是减小冲击电流以延长灯丝寿命或消除喇叭开机时的“噗”声。

图1是用LM317T组成的慢启动正12V稳压电源电路。电路加电时,由于C2上的电压不能突变,故BG1导通,将R2短路,输出电压Uo约为1.5V。随着C2的充电,BG1逐渐退出饱和区,R2上的电压逐渐增大,输出电压Uo也慢慢升高。一直到C2充电完闭,BG1截止,输出电压Uo才达到额定值12V。稳压电源的启动速度由时间常数R3*C2决定。其中二极管2AP是为了帮助稳压器正常启动而设置的。
恒流源电路
如图1所示,输出电流Io=Uxx/R Iq。一般在选择R时应使Io》Iq,以避免或减小Iq变化时影响恒流特性。此电路可以给各种充电电池充电,实际使用时,可以将不同的R接入,并用开关进行转换,可调整不同的充电电流。


![]() |



